Helium Contamination
Cause & Effect of Helium Contamination on a Cryogenic Vacuum System
Background
In order to understand the effects of helium contamination on a closed loop cryogenic vacuum system we first need to understand the fundamentals of a helium refrigerator. All helium refrigerators used to produce cold surfaces for cryopumps have three basic components: the helium gas (compressor), the connecting lines and the cold head (refrigerator).
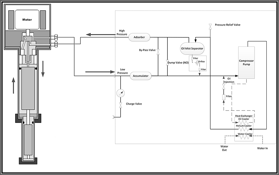
The compressor is responsible for supplying helium to the refrigerator. The Compressor serves several functions in addition to compressing the helium gas. Following compression from the refrigerator, the gas is forced through a heat exchanger, which is cooled using flowing water. The cooled helium may contain some residual oil vapor from the compressor. This oil vapor would condense in the cryopump regenerator and severely hamper its ability to produce the cold temperatures required for cryopumping. To remove oil vapor, an oil separator and an oil adsorber are used in series as shown in Figure 1. The oil adsorber has a finite service life, and must be replaced with a new unit per Table 1. If the adsorber is not replaced at the recommended service intervals this will significantly increase the risk of oil vapor contamination in the helium.

Figure 1 - Cryogenic Vacuum System Block Diagram
The lines which transport the high purity compressed helium between the compressor and the cryopump are specially designed to contain the high pressure helium gas. These lines have Aeroquip fittings on each end that allow connection and disconnection without losing the helium in the lines.
Table 1
| Compressor Absorber Replacement Interval | ||
| Compressor Model | 1 Year | 3 Years |
|---|---|---|
| 8200 | √ | |
| 8300 | √ | |
| 1020R | √ | |
| 8500 | √ | |
| 8510 | √ | |
| 9600 | √ | |
| 9700 | √ | |
| IS-1000 | √ | |
| P300 Tower | √ | |
Helium Contamination
A contaminated helium system can affect the quality of the vacuum and on severely contaminated systems can cause mechanical damage to the cryopump resulting in unscheduled downtime. Identified in Figure 2 are the results of contaminated helium that was extracted from an On-Board® 8F Cryopump. The analysis is typical of a system contaminated with air and water. Cryopumps require 99.999% pure helium; the helium purity of the analyzed cryopump was 98.7% resulting in inefficiencies in the refrigerator which prevented the cryopump from cooling down to <=17K.
The high levels of CO2 are a result of the nitrogen reacting with the antioxidants added to the compressor oil. This condition is the result of the absorber not being changed at the prescribed intervals identified in Table 1.
The symptom of a helium contaminated system is a loud knocking sound or sometimes referred to as a “ratcheting” sound while the cryopump is cooling down and/or at bottom out temperature (~17K). If the condition is not corrected by performing the Helium Decontamination Procedure then mechanical failure will occur, typically a broken motor shaft.
When a full regeneration is performed, it appears that the problem “ratcheting” is corrected. This gives a false sense of correcting the problem. On a helium manifold system when the cryopump is stopped and allowed to warm up; typical during regeneration, the contaminates are liberated as the pump warms up and migrate back into the helium system, and are frozen on the coldest pump attached to the helium manifold. The only way to effectively remove all contamination from the helium system is to let just one pump get cold (coldtrap), run for about 1 hour, then turn it off and perform the Decontamination Procedure on that pump.
Possible Causes of Helium Contamination
Compressor
A Compressor that is not properly maintained can be a significant source of helium contamination. The two major sources that contribute to helium contamination if not serviced are the Adsorber and the Oil Mist Separation components.
Compressor Adsorber
The adsorber contains activated charcoal to filter out the remaining oil in the helium by adsorption. As the adsorber fills up with oil, it needs to be replaced: Reference Table 1 for replacement intervals for specific Compressor models. The replacement of the adsorber is a field replacement component. Consult the owner’s manual for the specific module compressor for the proper procedure for replacing the adsorber. Alternatively, contact PTB Technical Support for assistance.

Figure 2 Helium Analysis Results
Compressor Oil Mist Separator
The oil mist (aerosol) separator utilizes very fine fibers to coalesce oil vapor into droplets and thus “clean” the helium gas. Oil from this separator is re-injected into the pump through a series of filters. The Oil Mist Separator and associated filters (3) must be serviced every five years to ensure the integrity of the purity of the helium (99.999%). This is not field serviceable, contact PTB to schedule the servicing of your compressor.
Helium lines & Aeroquip Connections
Helium lines and Aeroquip fittings need to be inspected during preventative maintenance intervals. The design of the Aeroquip fitting allows for the connection and disconnection of the helium lines without discharging of helium or allowing oxygen to enter the helium system. Common source of oxygen contamination are:
- Loose Aeroquip fittings
- Worn O-ring in the Aeroquip fitting
- Worn tension spring in the Aeroquip fitting
Installation & removal of the Cryopump
The installation and removal of a cryopump from a helium system if not properly performed can over time allow sufficient levels (ppm) of oxygen to enter the helium system resulting in contaminating the helium system. The following procedure should be used when removing and installing a cryopump to a helium system to prevent contamination.
Proper Disconnection of Helium lines
1. Disconnect the Supply Helium line2. Disconnect the Return Helium line
Proper Connection of Helium Lines
1. Connect the Return Helium line2. Connect the Supply Helium line
Summary
A properly maintained cryogenic vacuum system is critical to the efficient operation of cryopumps and compressors which results in reducing unscheduled downtime. In general, most customers are not aware of the requirements for compressor maintenance or the consequences for not properly maintaining their compressors. Typically, in a large installed base, the fleet of compressors will not have had their adsorbers changed or repaired at the required intervals.
If the symptoms of helium contamination, “ratcheting” are observed, contact your PTB Technical representative for the appropriate corrective action. Your prompt attention in recognizing and correcting helium contamination will result in reducing unscheduled downtime and maintenance cost associated with rebuilding a cryopump due to helium contamination.
In addition to calling PTB for technical support, we also provide adsorber sales, compressor repair and for large installed base customers we offer an installed base audit. The audit uses proprietary PTB software in conjunction with trained personnel we will review all of the parameters of your cryogenic vacuum system, identify installation and/or configuration concerns and provide recommendations for repair and/or service based on performance data, operational hours, observations and technical knowledge of cryogenic vacuum systems.
If technical assistance is required, please contact our Customer Service Representative.
- 1-855-PTB-SALES (1-855-782-7253) Inside the United States of America
- 1-626-385-3585 Outside the United States of America
For your convenience, you may e-mail us at: